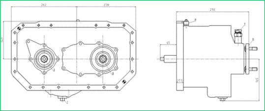
定轴式-4S214同步器型四档变速器
产品简介:适用于城市物流车、公交车
•双动力输入:一根输入轴控制1、3挡 一根输入轴控制2、4挡,节省了整车布置空间,降低了系统重量,节约成 本。
•相邻挡位耦合:一根输入轴提供转速、转矩模式,单一挡位动力不足则另一 输入轴介入提供纯转矩模式,从而提供整车所需动力。换挡时动力不中断,提高换挡平顺性。
•轻量化设计
适应于城市物流车、公交车。


| 
 主要技术参数  | 
|
| 
 变速器型号  | 
 4S214/AMT  | 
| 
 额定输入扭矩  | 
 315N.m  | 
| 
 质量(不含附加装置及油)  | 
 46kg  | 
| 
 润滑油等级  | 
 SAE80W/90 orAPI-GL-4  | 
| 
 润滑油量  | 
 3.5L  | 
| 
 安装方式  | 
 立式、左卧、右卧  | 
| 
 档位  | 
 一档  | 
 二档  | 
 三档  | 
 四档  | 
| 
 直接档  | 
 3.89  | 
 2.17  | 
 1.3  | 
 1.03  | 


 渝ICP备08002172号