EN

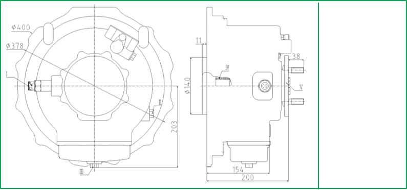
行星排- 2P510单行星排减速器

产品简介:

适用于8米以上大中型新能源客车

•体积小、安装距离短,节省整车空间。

 

•单行星排减速机,结构简单可靠性高。

 

•轴承、油封采用进口件,高可靠性。

 

•采用油池冷却,传动效率高。

 

•适用于纯电动力系统,城市物流车等。

 

•可按电控-电动AMT或匹配有电机及电机控制器的2EPT510动力单元供货

 

 

 

主要技术参数

行星排型号

2P510

额定输入扭矩

600N.m

质量(不含附加装置及油)

28kg

润滑油等级

SAE80W/90 orAPI-GL-4

润滑油量

2L

安装方式

卧式

 

 

档位

一档

二挡

传动比

2.708

1.00

友情链接 ×